方形动力激光卷绕一体机
效率:
6PPM(极片长16m)
线速度:
Max.3000mm/s
此设备集成激光极耳成型、自动卷绕,主要功能包括物料自动交换卷、极片多级除尘、激光切割极耳、CCD瑕疵检测、正极片头尾贴保护胶纸、CCD Overhang检测、圆形卷针卷绕及下料、贴终止胶带、电芯冷压定型、Hip-pot测试、电芯CCD外形检测等功能,配合先进的算法控制,可实现极耳间距闭环调整、张力分段自动控制及卷绕对齐度闭环控制等技术。
设备参数
| 设备型号 |
YWPB300K |
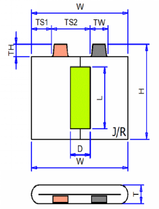
电芯示意图 |
|---|---|---|
|
兼容范围 |
H:60-280mm; W:80-320mm T:10-40mm; TH≤40mm |
|
| 极耳错位 | ≤±5mm | |
|
张力波动 |
<±3% |
|
|
激光切割毛刺 |
<10μm |
|
|
效率 |
6ppm(极片长16m) |
|
|
合格率 |
≥99.5% |
相关产品推荐


